
Verzinktes Sicherungsblech mit 1 Lappen zur Sicherung von Schrauben und Muttern.
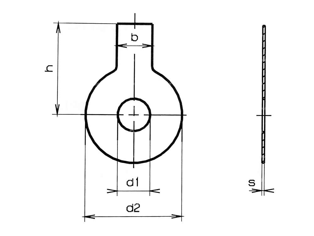
Entnehme die folgenden Masse auf Abbildung 2:
| Material | Stahl |
| Oberfläche | verzinkt (blau) |
| Ø aussen | 26 mm |
| Anzahl Lappen | 1 Stk. |
| Ø innen | 10.5 mm |
| Gesamtlänge | 22 mm |
| Dicke | 0.75 mm |
| Breite | 10 mm |
| Gewindegrösse | M10 |
Mofa-Fans kauften auch
Innenkabel Ø 1.2 mm x 200 cm mit Tonnennippel Ø 6 mm
Ø Litze: 1.2 mm · Nippelform: Tonne (quer) · Ø Nippel: 6 mm · Länge Nippel: 5.5 mm · Hersteller: Made in Germany · Material: Messing · Material: Stahl · Oberfläche: verzinkt (blau) · Kabellänge: 2000 mm · Anwendungsbereich: Standard · Anzahl Bestandteile: 1 Stk.
4,00 EUR
Motorex Motorenöl (Getriebeöl) manuell 450 ml
Temperaturbeständigkeit (min.): -30 - 220 °C · Hersteller: Motorex · Viskosität (SAE): SAE 80W · Öltyp: GL4 · Inhalt: 450 ml · Getriebeart: Fussschaltung · Getriebeart: Handschaltung · Anwendungsbereich: Getriebeschmierung mit Kupplung
11,60 EUR
25,78 EUR/l
swiing® revival Getriebedeckeldichtung | Sachs 503 AAL, ABL, AB, AC, ADV, 2AL, 2BL (A1888)
Hersteller: swiing® revival parts · Material: Dichtpapier · Farbe: sandfarben · Dicke: 0.35 mm · Gesamtlänge: 200 mm · Breite: 130 mm · Anzahl Befestigungspunkte: 6 Stk. · Anzahl Bestandteile: 1 Stk. · Pony OEM-Nr.: A1888 · Sachs OEM-Nr.: 0250 150 000
6,35 EUR




