
Galvanized lock washer with 1 tab for securing nuts and bolts.
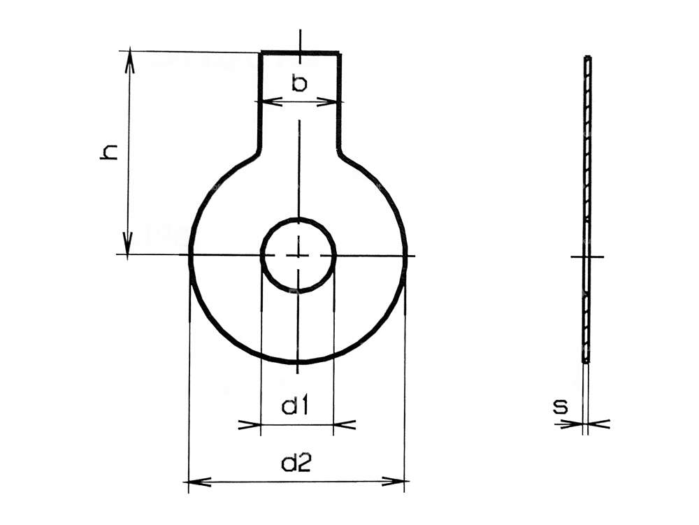
Take the following measurements from Figure 2:
| Material | Steel |
| Surface | galvanized (blue) |
| Thread size | M8 |
| Ø inside | 8.4 mm |
| Nominal diameter (thread) | 8 mm |
| Number of lobes | 1 pcs |
| Width | 8 mm |
| Ø outside | 22 mm |
| Thickness | 0.75 mm |
| Total length | 20 mm |
Explore categories from Screws & fastener sets
Moped fans also bought
Fuel tap horizontal M12x1 (with union nut) outgoing at the bottom
Manufacturer: GPO · Possible lever positions: open / closed / reserve · Material lever: Metal · Thread type: MF12x1 (fine pitch thread) · Filter type: Plastic net · Installation direction: horizontal / horizontal · Outlet direction: below · Spare tube shape: curved · Ø fuel hose connection: 6 mm · Reserve level: 70 mm · Mounting type: Union nut
11,60 EUR
Not in stock
Inner cable Ø 1.2 mm x 200 cm with barrel nipple Ø 6 mm
Ø Stranded wire: 1.2 mm · Ø nipple: 6 mm · Nipple length: 5.5 mm · Manufacturer: Made in Germany · Material: Brass · Material: Steel · Surface: galvanized (blue) · Nipple shape: Barrel (transverse) · Cable length: 2000 mm · Area of application: Standard · Number of components: 1 pcs
3,95 EUR
Not in stock


