
Verzinktes Sicherungsblech mit 2 Lappen zur Sicherung von Schrauben und Muttern.
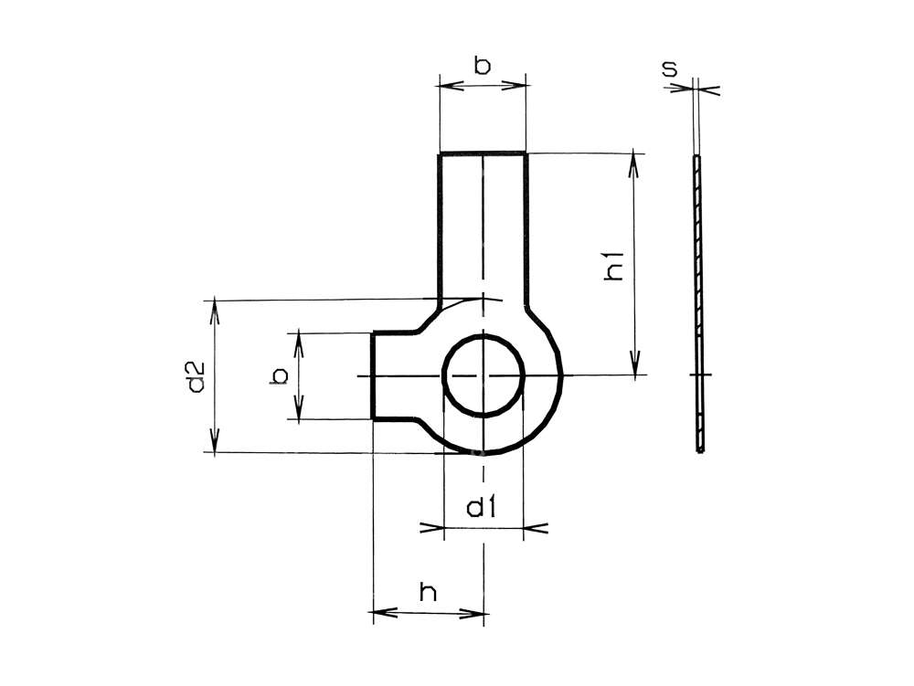
Entnehme die folgenden Masse auf Abbildung 2:
| Material | Stahl |
| Oberfläche | verzinkt (blau) |
| Ø aussen | 12.5 mm |
| Ø innen | 6.4 mm |
| Anzahl Lappen | 2 Stk. |
| Gesamtlänge | 9 mm |
| Breite | 7 mm |
| Nenndurchmesser (Gewinde) | 6 mm |
| Dicke | 0.5 mm |
| Gewindegrösse | M6 |
| Länge 2 | 18 mm |
| Breite 2 | 7 mm |
Entdecke Kategorien aus Schrauben & Verbindungselemente Sets
Mofa-Fans kauften auch
GPO 15 mm Vergaser Tuning | Puch
Nenndurchmesser: 15 mm · Hersteller: GPO · Material: Aluminium · Getarnt: Nein · Bauteilgruppe Vergaser: Vergaser komplett · Vergasertyp: SRE · Anwendungsbereich: Tuning · Chokebetätigung: Handchoke · Düsengrösse: 62 · Gesamtlänge: 66 mm · Höhe: 95 mm · Breite: 50 mm · Ø Eingang innen: 15 mm · Ø Anschluss innen: 20 mm · Ø Ausgang innen: 15 mm · Ø Anschluss Luftfilter: 20 mm · Befestigungsart: Steckverbindung geklemmt · Ø Benzinschlauchanschluss: 6 mm · Mischölanschluss: Nein · Unterdruckanschluss: Nein · Düsengewinde: M3.5x0.6 (Standardgewinde) · Düsenstock: 2.17 · Drehmoment Klemmschraube (max.): 4 Nm
75,70 EUR
swiing® ingenious Kupplungsfedern verstärkt (+20%) | Puch E50
Federbauart: Druckfeder · Ø Draht: 1.7 mm · Hersteller: swiing® ingenious parts · Material: Federstahl · Oberfläche: beschichtet · Anwendungsbereich: Tuning · Farbe: blau · Ø innen: 4.8 mm · Ø aussen: 8.3 mm · Gesamtlänge: 28 mm · Anzahl Bestandteile: 3 Stk.
20,90 EUR
swiing® revival Stehbolzen Ein-/ Auslass M6 x 30 (10.9 Festigkeit)
Hersteller: swiing® revival parts · Material: Stahl · Oberfläche: verzinkt (blau) · Durchmesser: 5.95 mm · Gewindeart: M6x1 (Standardgewinde) · Gesamtlänge: 30 mm · Nenndurchmesser (Gewinde): 6 mm · Gewindelänge: 12 mm · Festigkeitsklasse: 10.9
2,10 EUR




