
Galvanized lock washer with 2 tabs for securing nuts and bolts on your moped, moped and small motorcycle.
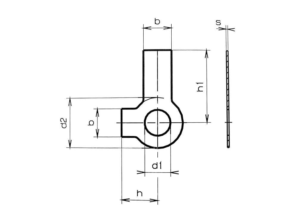
Dimensions according to technical drawing (Figure 2):
Ø inside (d1): 15.2 mm
Ø outer (d2): 27.5 mm
Width (b): 11.9 mm
Height (h): 17 mm
Height (h1): 30 mm
Thickness (s): 1 mm
Material: Steel, galvanized
| Material | Steel |
| Surface | galvanized (blue) |
| Ø inside | 15.2 mm |
| Ø outside | 27.5 mm |
| Number of lobes | 2 pcs |
| Total length | 17 mm |
| Width | 11.9 mm |
| Thickness | 1 mm |
| Thread size | M14 |
| Length 2 | 30 mm |
| Width 2 | 11.9 mm |
Accessories & related products
Moped fans also bought
Transval speedometer drive 17" with hook axle 11 mm (for VDO speedometer cable)
Manufacturer: Transval · Material: Aluminum · Color: gray · Thread type: MF10x1 (fine pitch thread) · Place of use: left · Place of use: right · Wheel size: 17 " · Ø outside: 41 mm · Ø axle: 11 mm · 4-edge speedometer cable: 1.8 mm · Overall width outside: 60 mm · Total height: 52 mm · Ø mounting hole: 11 mm
34,90 EUR
swiing® revival gearbox cover gasket | Sachs 503 AAL, ABL, AB, AC, ADV, 2AL, 2BL (A1888)
Manufacturer: swiing® revival parts · Material: Sealing paper · Color: sand-colored · Total length: 200 mm · Width: 130 mm · Thickness: 0.35 mm · Number of fixing points: 6 pcs · Number of components: 1 pcs · Pony OEM number: A1888 · Sachs OEM no.: 0250 150 000
6,30 EUR



